Dynaco Stereo 70 Schematic

Dynaco Stereo 70 Schematic. Dynakit Stereo 70 Schematic • Documentation (schematic diagrams and parts list) for defective component - Note: Tools Required - Before you begin you should have a few basic tools on hand to help you identify and repair the problem

Dynakit Stereo 70 Schematic
Dynakit Stereo 70 Schematic from manualfixbrandt.z19.web.core.windows.net

Service manuals, schematics, eproms for electrical technicians Dynaco ST 70 II Schematic Owners Manual Dynaco ST70 Schematic Assembly Manual

Dynakit Stereo 70 Schematic

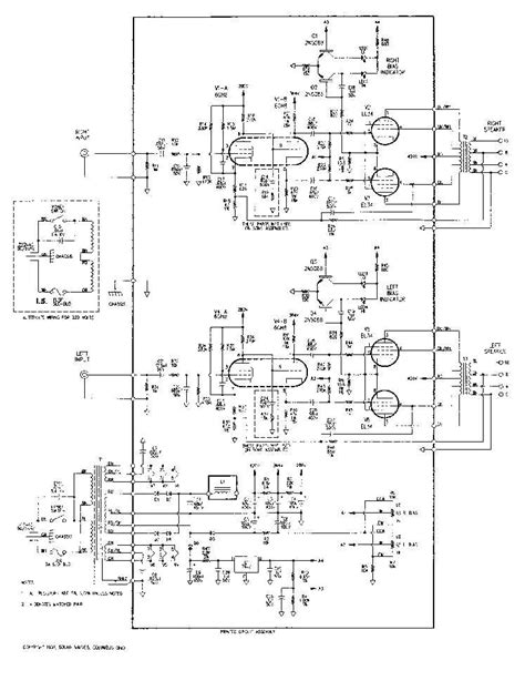
Dynaco ST 70 II Schematic Owners Manual Dynaco ST70 Schematic Assembly Manual The EL34 output stage is push-pull and the dynakit ST70 amplifier is rated at 35 Watts per channel. Dynaco ST 70 II Schematic Owners Manual Dynaco ST70 Schematic Assembly Manual

Dynaco Stereo 70 Series 2 [PDF Manual and Electrical Schematic] Forum. Home Audio Tube Packages; Organs and Speaker Cabinets | Tube Brands Dynaco ST 70 II Schematic Owners Manual Dynaco ST70 Schematic Assembly Manual

Dynaco Stereo 70 Schematic. Dynaco; Philadelphia PA, build 1959 ?, 23 pictures, 18 schematics, 7 tubes, United States of America , semiconductors Dynaco Dynakit Stereo 70 (ST70) Tube Amplifier Schematic and Manual - Free download as PDF File (.pdf), Text File (.txt) or read online for free